Industrial Instruments
Intelligent Differential Pressure Transmitter DPI10D
Pressure measurement of gases, liquids, and fluid media in industries such as Chemical, Petroleum, Oil Refining, Thermal Power,
Measuring Range: 0 - 2 MPa
Power Supply:12.5-36VDC
Output Signal:4-20mA, 4-20mA + HART protocol
Temperature Range:-20 to 85°C
Protection Rating:IP66
Download Materials: Click To Download
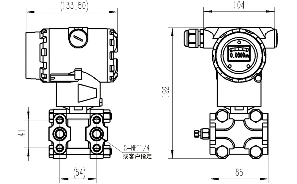
Outline Dimension Diagram:
![]()
Electrical Connection Diagram:
![]()
Product Introduction: Suitable for: Pressure measurement of gases, liquids, and fluid media in industries such as Chemical, Petroleum, Oil Refining, Thermal Power, Coking, Steel, Metallurgy, Fertilizer, Sewage Treatment, Paper Making,Steam Turbine,Heating Boiler, Water Supply Pipeline Network, Textile, etc. Features: Analog output signal, modular design, 1-year warranty provided, 180° rotatable LCD head, 5-digit LCD display head; High pressure resistance, high temperature resistance. Performance Parameters: Measuring Range: 0 - 2 MPa Power Supply: 12.5-36VDC Output Signal: 4-20mA, 4-20mA + HART protocol Process Connection: NPT1/4 internal thread Full Scale Accuracy: Typical Values: 0.075% F.S, 0.1% F.S, 0.25% F.S, 0.5% F.S Temperature Range: -20 to 85°C Protection Rating: IP66 Explosion Proof Rating: Exia IICT4 and Exia IICT6 Electrical Connection: M20X1.5 internal thread Overpressure Limit: Static pressure resistance 13MPa Housing Material: Low-copper aluminum casting Filling Fluid: Silicone Oil Paint Color: Blue-Grey two-tone high-adhesion polyester paint, durable, non-cracking, non-fading Diaphragm Material: 316L stainless steel, Hastelloy C-276, Monel, Tantalum |
Outline Dimension Diagram:
Electrical Connection Diagram:
Product Introduction: Suitable for: Pressure measurement of gases, liquids, and fluid media in industries such as Chemical, Petroleum, Oil Refining, Thermal Power, Coking, Steel, Metallurgy, Fertilizer, Sewage Treatment, Paper Making,Steam Turbine,Heating Boiler, Water Supply Pipeline Network, Textile, etc. Features: Analog output signal, modular design, 1-year warranty provided, 180° rotatable LCD head, 5-digit LCD display head; High pressure resistance, high temperature resistance. Performance Parameters: Measuring Range: 0 - 2 MPa Power Supply: 12.5-36VDC Output Signal: 4-20mA, 4-20mA + HART protocol Process Connection: NPT1/4 internal thread Full Scale Accuracy: Typical Values: 0.075% F.S, 0.1% F.S, 0.25% F.S, 0.5% F.S Temperature Range: -20 to 85°C Protection Rating: IP66 Explosion Proof Rating: Exia IICT4 and Exia IICT6 Electrical Connection: M20X1.5 internal thread Overpressure Limit: Static pressure resistance 13MPa Housing Material: Low-copper aluminum casting Filling Fluid: Silicone Oil Paint Color: Blue-Grey two-tone high-adhesion polyester paint, durable, non-cracking, non-fading Diaphragm Material: 316L stainless steel, Hastelloy C-276, Monel, Tantalum |


















