Industrial Instruments
Universal Pressure Transmitte DPI701
Pressure measurement of air, water, steam, pipeline pressure, and fluid liquids in applications such as Construction Machinery, Nitrogen Generator, Air Compressor
Measuring Range:-100 - 0 KPa / 0 - 100 MPa
Power Supply:12.5-36VDC
Output Signal: 4-20mA
Temperature Range:-20 to 85°C
Protection Rating: IP65
Download Materials: Click To Download
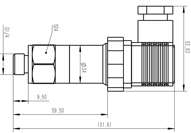
Outline Dimension Diagram:
Process Connection Thread:
Electrical Connection Diagram:
![]()
Product Introduction: Suitable for: Pressure measurement of air, water, steam, pipeline pressure, and fluid liquids in applications such as Construction Machinery, Nitrogen Generator, Air Compressor, Hydrogen-Oxygen Generator, Hydraulic Equipment, Central Air Conditioning Refrigeration Unit, Pipeline Fluid, Diesel Generator, Water Treatment Equipment, Laboratory Instrument, Refrigerated Air Dryer, Purification Equipment. Features: High accuracy, good stability, compact size and light weight (50g), no moving parts, shock resistant, vibration resistant, reverse polarity protection, easy installation, good sealing, proprietary leak-free technology. Performance Parameters: Measuring Range: -100 - 0 KPa / 0 - 100 MPa Power Supply: 12.5-36VDC Output Signal: 4-20mA Process Connection: G1/4 external thread; 1/2 NPT external thread; M20X1.5 external thread; G1/2 external thread. Other process connections available upon request, customer must provide standard and drawings. Temperature Range: -20 to 85°C Protection Rating: IP65 Electrical Connection: GDM 4-pin quick plug Over pressure Limit: 1.5 times full scale Burst Pressure: 3 times full scale Filling Fluid: Silicone Oil Housing Material: 304 stainless steel Diaphragm Material: 316L stainless steel, Hastelloy C-276, Monel, Tantalum |
Outline Dimension Diagram:
Process Connection Thread:
Electrical Connection Diagram:
Product Introduction: Suitable for: Pressure measurement of air, water, steam, pipeline pressure, and fluid liquids in applications such as Construction Machinery, Nitrogen Generator, Air Compressor, Hydrogen-Oxygen Generator, Hydraulic Equipment, Central Air Conditioning Refrigeration Unit, Pipeline Fluid, Diesel Generator, Water Treatment Equipment, Laboratory Instrument, Refrigerated Air Dryer, Purification Equipment. Features: High accuracy, good stability, compact size and light weight (50g), no moving parts, shock resistant, vibration resistant, reverse polarity protection, easy installation, good sealing, proprietary leak-free technology. Performance Parameters: Measuring Range: -100 - 0 KPa / 0 - 100 MPa Power Supply: 12.5-36VDC Output Signal: 4-20mA Process Connection: G1/4 external thread; 1/2 NPT external thread; M20X1.5 external thread; G1/2 external thread. Other process connections available upon request, customer must provide standard and drawings. Temperature Range: -20 to 85°C Protection Rating: IP65 Electrical Connection: GDM 4-pin quick plug Over pressure Limit: 1.5 times full scale Burst Pressure: 3 times full scale Filling Fluid: Silicone Oil Housing Material: 304 stainless steel Diaphragm Material: 316L stainless steel, Hastelloy C-276, Monel, Tantalum |

















